9T6857 POMPE GP-PISTON Pièces Caterpillar 416, 428 POMPE
Oilmax propose des pièces de rechange pour les pelles Caterpillar, les chargeuses sur pneus, les tombereaux articulés, les chargeuses compactes, les chargeuses compactes sur chenilles.
Pièces couvertes : solénoïdes, pompes à essence, démarreurs, alternateurs, pompes à eau, radiateurs, injecteurs, pompes à injection, pièces hydrauliques, manettes, turbos, joints de culasse, courroies, filtres, capteurs, etc.

Pièces pour votre CHARGEUSE-PELLETEUSE 428 :
CATERPILLAR SI
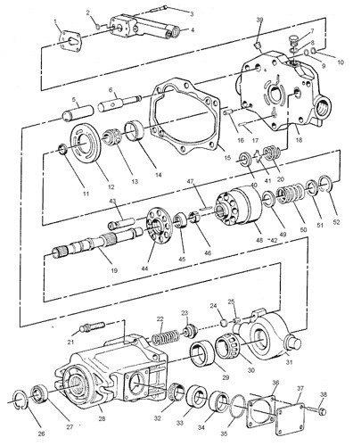
Pos. | Numéro de pièce | Qté | Nom des pièces |
1. | 9T-2002 | [1] | JOINT |
2. | 5F-9144 | [1] | JOINT TORIQUE |
3. | 7L-0688 | [4] | TÊTE DE BOULON À DOUILLE |
4. | 9T-6859 Y | [1] | VALVE GP-PRESS & FLOW CMPNSTR |
5. | 9T-2172 | [1] | PISTON |
6. | 9T-2170 | [1] | TIGE-PISTON |
7. | 9S-4190 | [1] | BOUCHON-0-ANNEAU |
8. | 2M-9780 | [1] | JOINT TORIQUE |
9. | 8F-9206 | [1] | JOINT TORIQUE |
10. | 9T-2003 | [1] | BAGUE |
11. | 9T-2000 B | [1] | KIT-ENTRETOISE |
12. | 9T-2232 | [1] | ASSIETTE-WAFER |
13. | 7T-9752 | [1] | ROULEMENT À ROULEAUX CONIQUES |
14. | 7T-9753 | [1] | ROULEMENT À ROULEAUX |
15. | 9T-1752 | [1] | JOINT |
16. | 8T-5089 | [2] | PIN-RESSORT |
17. | 9T-2001 | [1] | BROCHE |
18. | 9T-2176 | [1] | BLOC DE VALVE DE TÊTE |
19. | 9T-2016 | [1] | ARBRE |
20. | 9T-3867 | [1] | LE PRINTEMPS |
21. | 5P-0076 | [6] | BOULON-12 TÊTE POINTUE |
22. | 9T-2168 | [1] | LE PRINTEMPS |
23. | 9T-2171 | [1] | SIÈGE |
24. | 9T-2173 | [1] | SIÈGE |
25. | 8J-8308 | [1] | PIN-ROLL |
26. | 002-3455 | [1] | COLLIER DE SERRAGE |
27. | 3E-6748 | [1] | TYPE À LÈVRE D'ÉTANCHÉITÉ |
28. | 9T-2015 | [1] | LOGEMENT |
29. | 7T-9755 | [1] | ROULEMENT À ROULEAUX |
30. | 7T-9754 | [1] | ROULEMENT À ROULEAUX CONIQUES |
31. | 9T-2231 | [1] | PLATEAU OSCILLANT |
32. | 7T-9831 | [2] | ROULEMENT À ROULEAUX CONIQUES |
33. | 3P-8680 | [2] | ROULEMENT À ROULEAUX |
34. | 9T-2017 | [2] | ESPACEUR |
35. | 005-8593 | [2] | JOINT TORIQUE |
36. | 9T-2011 B | [1] | KIT-CALAGE |
37. | 9T-2014 | [2] | COUVERTURE |
38. | 9S-2011 | [8] | VIS MACHINE |
39. | 9F-2247 | [1] | PRISE DE COURANT |
40. | 9T-1636 | [1] | SIÈGE |
41. | 9T-1710 | [1] | POUPÉE |
42. | 9T-2031 | [1] | GP TOURNANT |
43. | 9T-3868 | [1] | KIT-PISTON |
44. | 9T-3860 | [1] | ASSIETTE |
45. | 9T-3859 | [1] | RONDELLE SPHÉRIQUE |
46. | 9T-3862 | [1] | RETENUE |
47. | 9T-3857 | [3] | BROCHE |
48. | 9T-3863 | [1] | BARIL |
49. | 9T-3861 | [1] | MACHINE À LAVER |
50. | 9T-3858 | [1] | LE PRINTEMPS |
51. | 9T-3864 | [1] | MACHINE À LAVER |
52. | 004-1683 | [1] | ANNEAU-SNAP |
étiquette à chaud: Pompe à piston 9t6857, Chine, fournisseurs, fabricants, usine, sur mesure, vente en gros, achat, devis, fabriqué en Chine











